Frame-Mounted Tank
F150-350 116, 133, 138 And 155 Inch Wheelbase Steel Aft Fuel Tank Installation:

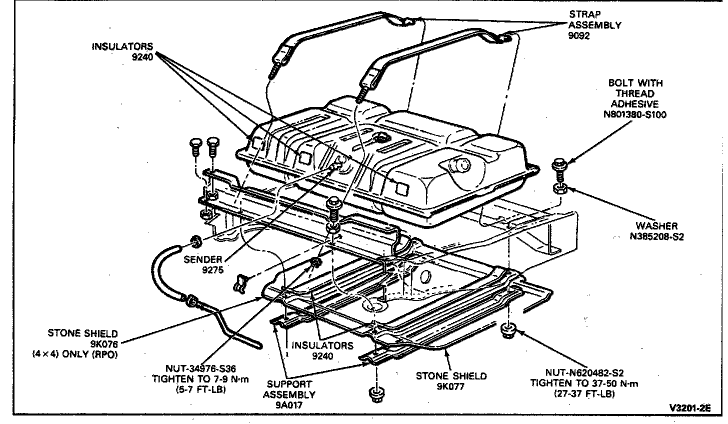
F350 - 136.8 And 160.8 Inch Wheelbase Plastic Aft Fuel Tank Installation:

Removal
1. Raise the rear of the vehicle.
2. To avoid electrical sparking at the tank, disconnect the ground cable on the battery. Then disconnect the fuel gauge sending unit wire at the fuel tank.
3. On vehicles with dual tanks disconnect the ground wire after both tanks have been drained. Siphon the fuel from the tank into a suitable container at the hose between the fuel pump and the fuel tube.
4. Loosen the fuel line hose clamps, slide the clamps forward and disconnect the fuel line at the fuel gauge sending unit.
5. If the fuel gauge sending unit is to be removed, turn the unit retaining ring counterclockwise and remove the sending unit, retaining ring and gasket.
6. Loosen the clamps on the fuel filler pipe as necessary and disconnect the filler pipe hose and vent hose from the tank.
7. If removing the metal type tank, support the tank and remove the bolts attaching the tank supports to the frame. Carefully lower the tank and disconnect the vent tube from the vapor emission control valve in the top of the tank. Finish removing the filler pipe and filler pipe vent hose if not possible in Step 6. Remove the tank from under the vehicle.
8. If removing the plastic type tank, support the tank and rem9ve the bolts attaching the combination skid plate and tank support to the frame. Carefully lower the tank and disconnect the vent tube from the vapor emission control valve in the top of the tank. Complete removing the filler pipe not possible in Step 6. Remove the skid plate and tank from under the vehicle. Disassemble the skid plate from the tank.
Installation
1. If the tank or vapor emission control valve is being replaced, follow the installation instructions in Figs. 21 through 29. Install new support strap insulation as required.
2. If installing the plastic type tank, preassemble the skid plate and support straps to the tank as shown in Fig. 41;
3. Raise the tank skid plate and support assembly and attach the vent hose to the vapor emission control valve.
4. Start the tank neck into the hose.
5. Position the tank assembly against the top straps or the frame and install the attaching bolts and nuts using thread adhesive (such as "Loctite"). Tighten the attaching bolts and nuts to 37-50 N m (27-37 ft- lbs).
NOTE: The plastic tank attaching bolts and nuts do not utilize thread adhesive. Tighten these bolts and nuts to 34-47 N m (25-35 ft-lb).
6. Connect the filler pipe hose and tighten the clamps to 3-4 Nm (25-35 in-lbs).
7. If the fuel gauge sending unit was removed, make sure all the old gasket material has been removed from the unit mounting surface on the tank. Using a new gasket, position the fuel gauge sending unit to the fuel tank and secure with the retaining ring.
8. Connect the fuel gauge sending unit wire to the sending unit.
9. Connect the fuel line at the fuel gauge sending unit and tighten the clamps securely. Install the drain plug, if so equipped.
10. Connect the vehicle battery ground cable removed in Step 2-Removal.
11. Fill the tank and check all connections for leaks.
12. Lower the vehicle.