Operation CHARM
: Car repair manuals for everyone.
Home
>>
Ford
>>
1986
>>
F 150 4WD Pickup V8-302 5.0L
>>
Repair and Diagnosis
>>
Powertrain Management
>>
Fuel Delivery and Air Induction
>>
Fuel Pump
>>
Diagrams
>>
Electrical Diagrams
>>
Single Fuel Tank
Single Fuel Tank
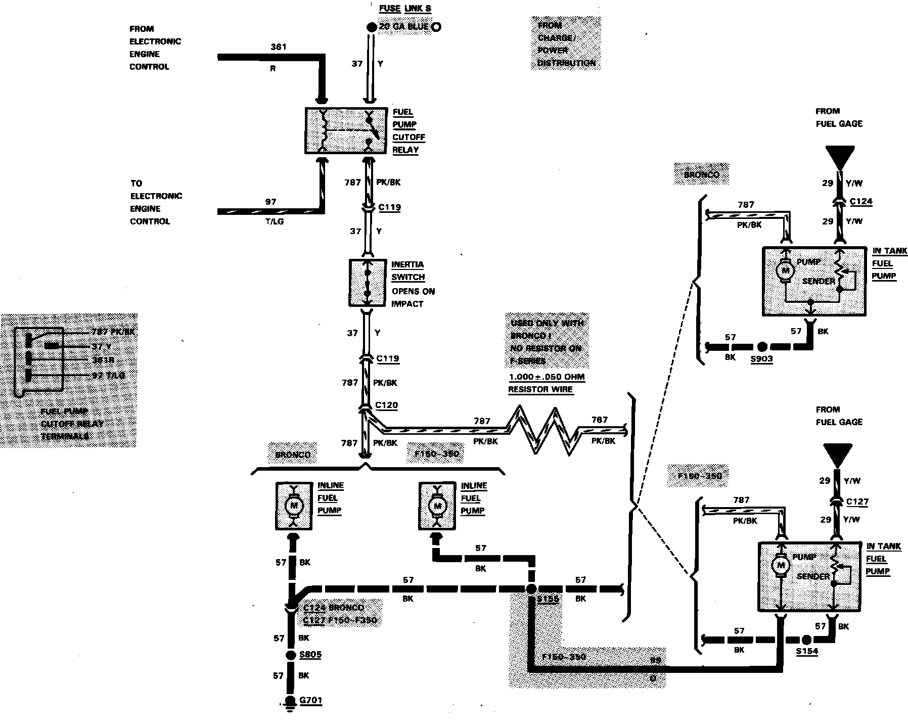
Fig. 15 Electric Fuel Pump Control Wiring Circuit. All V8-302 (5.0L) EFI Engines W/Single Fuel Tank: