Operation CHARM: Car repair manuals for everyone.

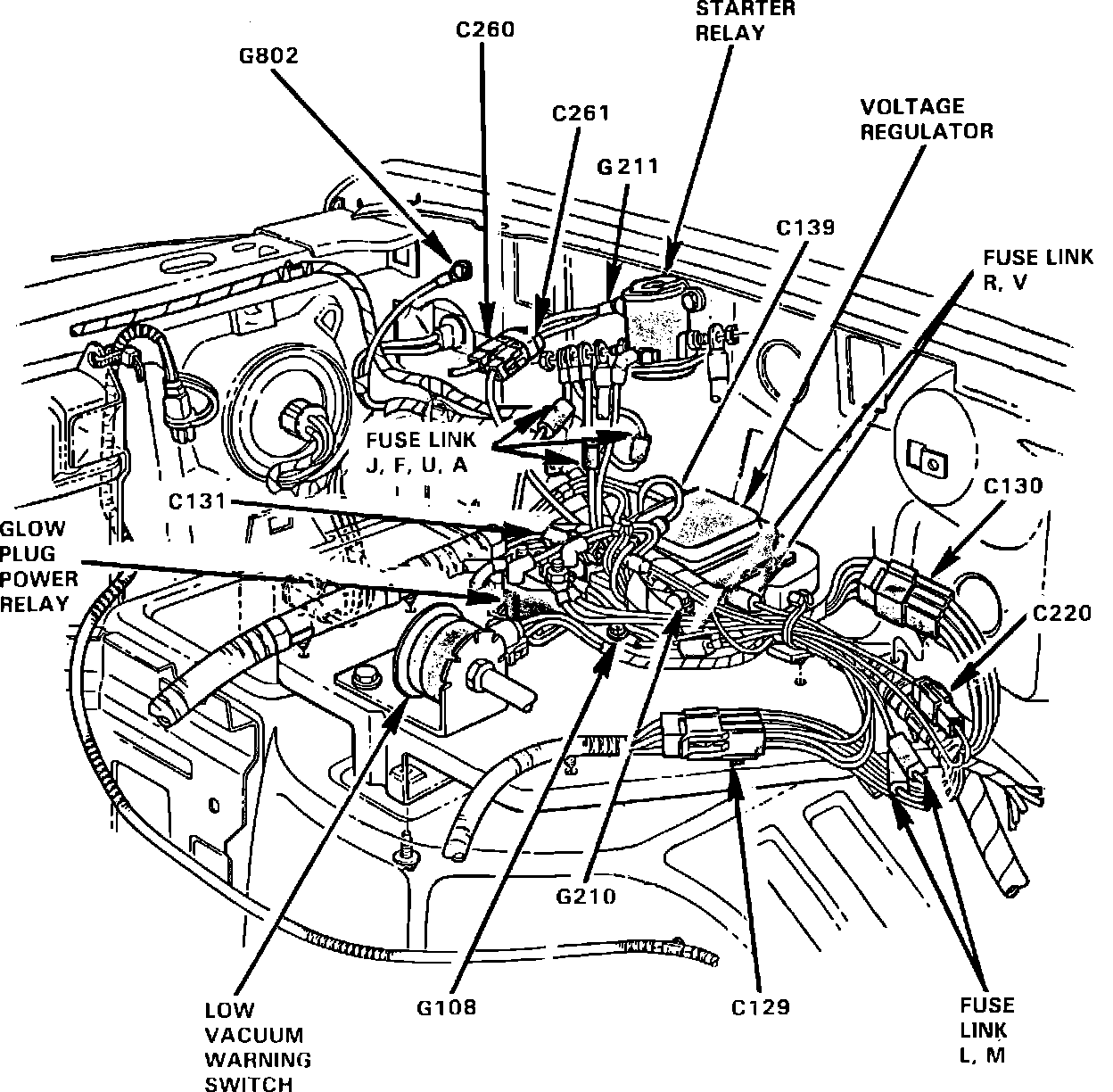
Fuse Link M

RH Fender Apron & Dash Panel.:




Near Dash Panel

Applicable to: Diesel Engine