Operation CHARM
: Car repair manuals for everyone.
Home
>>
Ford
>>
1986
>>
F 150 4WD Pickup V8-302 5.0L
>>
Repair and Diagnosis
>>
Diagrams
>>
Electrical Diagrams
>>
Powertrain Management
>>
System Diagram
>>
Block Diagrams
Block Diagrams
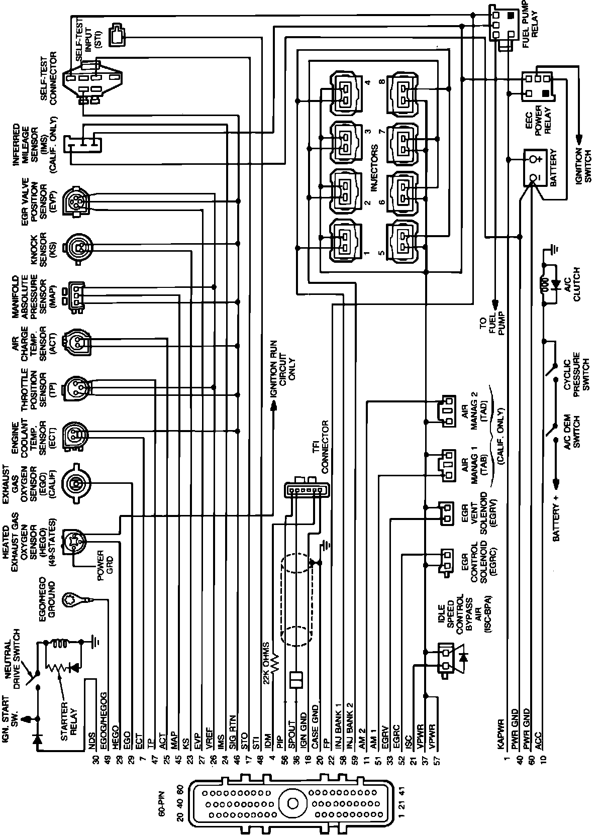
Fig. 170 EEC-IV wiring schematic. 1986 V8-302: