Operation CHARM
: Car repair manuals for everyone.
Home
>>
Ford
>>
1986
>>
F 150 4WD Pickup V8-302 5.0L
>>
Repair and Diagnosis
>>
Diagrams
>>
Electrical Diagrams
>>
Power and Ground Distribution
>>
Charging System
Charging System
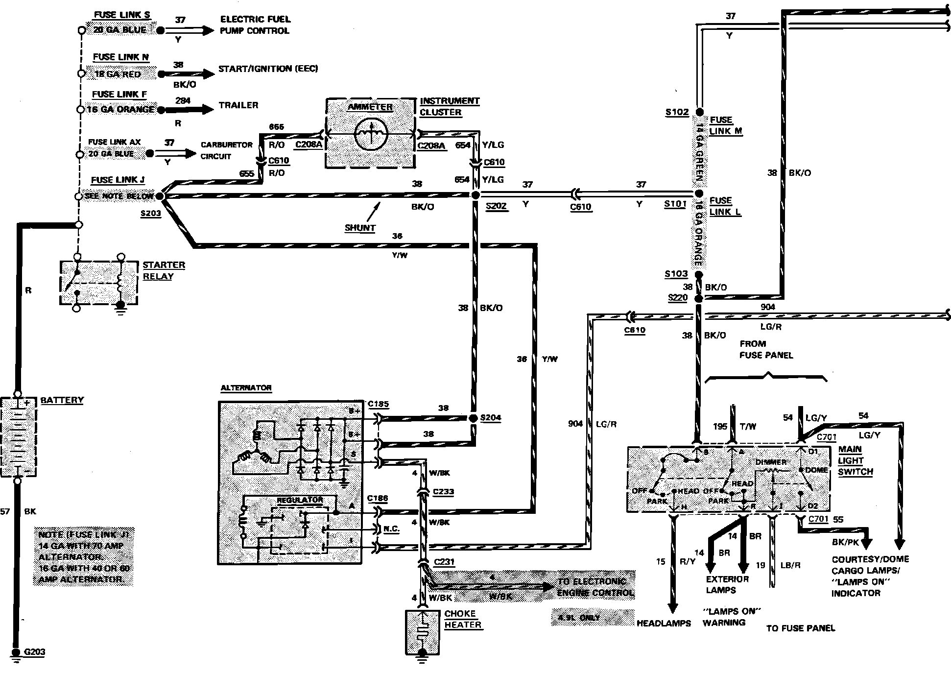
Fig. 12 Charging System & Power Distribution Wiring Circuit (Part 1 of 2). Models W/Gasoline Engine:
Fig. 12 Charging System & Power Distribution Wiring Circuit (Part 2 of 2). Models W/Gasoline Engine: